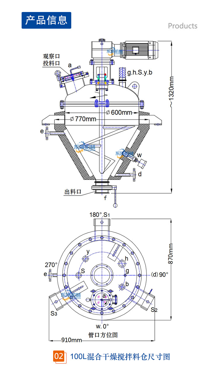
粉体混合干燥搅拌料仓
一.混合干燥搅拌料仓功能:罐体配置加热夹套、保温层,具有混合、搅拌、真空干燥功能。
二.混合干燥搅拌料仓应用概述:
应用行业:该立式锥形混合干燥搅拌料仓应用于制药、食品、化工、农药、染料、饲料、新材料、半导体、添加剂等行业。
应用产品:粉体与粉体、粉体与液体、颗粒状物料的搅拌混合或真空干燥,及浆料、粘稠料、湿状、膏状为主物料的搅拌混合、反应。
该机尤其适合少批量、多品种的工艺要求使用。
三.混合干燥搅拌料仓搅拌原理:
本机搅拌装置由搅拌主轴及两条与筒体内壁表面吻合的螺带组成。搅拌桨旋转时,螺带将物料由下向上沿筒体内壁盘旋提升,而中心处的物料则向下运动,同时又由于运转时螺带带面上的各点线速度不同,物料在其作用下产生了不规则的对流、剪切、掺混、扩散,使物料在筒体内形成全方位的三维运动,如此不断反复循环,使物料在短时间内达到均匀混合与干燥。
材质可选用不锈钢304、316L、2205,或内表面喷涂特氟龙、聚四氟乙烯(PTFE)等。
东顶公司专业制造各类不锈钢周转料仓 周转料斗 不锈钢移动料斗 粉体移动料仓 干粉料仓圆形料仓 转运料仓 粉体周转罐 移动中转罐 称重料仓 计量料仓 破拱料斗 混合料斗 振(震)动料斗料仓 中转料仓 中转料斗 粉料中转料桶 密封料仓 密封料斗 粉体料仓 不锈钢料仓 锥形料仓 转料仓 粉体转料车 粉体转料箱 移动料车 搅拌料仓 搅拌混合干燥料仓 暂存料仓 缓存料仓 缓冲料仓 中间料仓
东顶机械历来以图纸设计详细规范、产品制作过程规范、附配件配置规范、满足用户使用要求为标准,每台搅拌料仓、周转移动料仓、粉体转运料仓、不锈钢料仓等均做测试压、内外部严格检验,以达到出厂的产品就是好品质,深得用户信赖与赞誉。











- 上一篇:称重料仓/计量粉料仓
- 下一篇:暂存料仓 中间料仓
/www/templates/cn/html/备案图标.png)
